| 
          ãÍÕæáÇÊ / ÇÊÕÇáÇÊ ÝÔÇÑ 
          Þæی   
		  
		ThermoPlast's fittings dimensions U-PVC Tees 
		(All Socket, All flanged and Double-socket with flanged branch) 
		  
			
				
					| 
					
					ã꾄 ÇÕáی | 
					
					ÇäÔÚÇÈ |  |  
					| 
					
					ÞØÑ ÎÇÑÌی 
					d1  
					 | 
					
					ÞØÑ ÏÇÎáی 
					DN1  
					 | 
					
					ÞØÑÎÇÑÌی 
					d2 
					 | 
					
					ÞØÑ ÏÇÎáی 
					DN2 
					 | 
					hmin | 
					lmin | 
					umin | 
					zk1, min | 
					zk2, min |  
					| 
					
					63 | 
					
					50 | 
					
					63 | 
					
					50 | 
					
					130 | 
					
					260 | 
					
					58 | 
					
					75 | 
					
					38 |  
					| 
					
					75 | 
					
					65 | 
					
					63 | 
					
					50 | 
					
					140 | 
					
					280 | 
					
					60 | 
					
					77 | 
					
					44 |  
					| 
					
					75 | 
					
					65 | 
					
					140 | 
					
					280 | 
					
					89 | 
					
					45 |  
					| 
					
					90 | 
					
					80 | 
					
					63 | 
					
					50 | 
					
					150 | 
					
					300 | 
					
					62 | 
					
					79 | 
					
					51 |  
					| 
					
					75 | 
					
					65 | 
					
					150 | 
					
					300 | 
					
					91 | 
					
					52 |  
					| 
					
					90 | 
					
					80 | 
					
					150 | 
					
					300 | 
					
					106 | 
					
					53 |  
					| 
					
					110 | 
					
					100 | 
					
					63 | 
					
					50 | 
					
					160 | 
					
					320 | 
					
					65 | 
					
					83 | 
					
					61 |  
					| 
					
					75 | 
					
					65 | 
					
					160 | 
					
					320 | 
					
					95 | 
					
					62 |  
					| 
					
					90 | 
					
					80 | 
					
					170 | 
					
					340 | 
					
					110 | 
					
					63 |  
					| 
					
					110 | 
					
					100 | 
					
					180 | 
					
					360 | 
					
					130 | 
					
					65 |  
					| 
					
					125 | 
					
					115 | 
					
					75 | 
					
					65 | 
					
					170 | 
					
					340 | 
					
					68 | 
					
					100 | 
					
					71 |  
					| 
					
					90 | 
					
					80 | 
					
					170 | 
					
					340 | 
					
					115 | 
					
					72 |  
					| 
					
					110 | 
					
					100 | 
					
					180 | 
					
					360 | 
					
					131 | 
					
					73 |  
					| 
					
					125 | 
					
					115 | 
					
					190 | 
					
					380 | 
					
					149 | 
					
					75 |  
					| 
					
					160 | 
					
					150 | 
					
					90 | 
					
					80 | 
					
					200 | 
					
					400 | 
					
					72 | 
					
					118 | 
					
					88 |  
					| 
					
					110 | 
					
					100 | 
					
					200 | 
					
					400 | 
					
					138 | 
					
					90 |  
					| 
					
					125 | 
					
					115 | 
					
					210 | 
					
					420 | 
					
					168 | 
					
					92 |  
					| 
					
					160 | 
					
					150 | 
					
					230 | 
					
					460 | 
					
					188 | 
					
					94 |  
					| 
					
					200 | 
					
					180 | 
					
					110 | 
					
					100 | 
					
					240 | 
					
					480 | 
					
					77 | 
					
					150 | 
					
					109 |  
					| 
					
					125 | 
					
					115 | 
					
					240 | 
					
					480 | 
					
					165 | 
					
					113 |  
					| 
					
					160 | 
					
					150 | 
					
					250 | 
					
					500 | 
					
					200 | 
					
					114 |  
					| 
					
					180 | 
					
					180 | 
					
					260 | 
					
					520 | 
					
					234 | 
					
					117 |  
					| 
					
					225 | 
					
					200 | 
					
					110 | 
					
					100 | 
					
					250 | 
					
					500 | 
					
					80 | 
					
					150 | 
					
					123 |  
					| 
					
					125 | 
					
					115 | 
					
					260 | 
					
					520 | 
					
					170 | 
					
					125 |  
					| 
					
					160 | 
					
					150 | 
					
					270 | 
					
					540 | 
					
					200 | 
					
					127 |  
					| 
					
					200 | 
					
					180 | 
					
					280 | 
					
					560 | 
					
					245 | 
					
					130 |  
					| 
					
					225 | 
					
					200 | 
					
					280 | 
					
					560 | 
					
					265 | 
					
					133 |  
					| 
					
					250 | 
					
					220 | 
					
					125 | 
					
					115 | 
					
					290 | 
					
					580 | 
					
					88 | 
					
					175 | 
					
					132 |  
					| 
					
					160 | 
					
					150 | 
					
					300 | 
					
					600 | 
					
					208 | 
					
					135 |  
					| 
					
					200 | 
					
					180 | 
					
					310 | 
					
					620 | 
					
					245 | 
					
					139 |  
					| 
					
					225 | 
					
					200 | 
					
					330 | 
					
					660 | 
					
					273 | 
					
					142 |  
					| 
					
					250 | 
					
					220 | 
					
					360 | 
					
					720 | 
					
					292 | 
					
					146 |  
					| 
					
					315 | 
					
					280 | 
					
					160 | 
					
					150 | 
					
					370 | 
					
					740 | 
					
					97 | 
					
					225 | 
					
					166 |  
					| 
					
					200 | 
					
					180 | 
					
					370 | 
					
					740 | 
					
					262 | 
					
					170 |  
					| 
					
					225 | 
					
					200 | 
					
					390 | 
					
					780 | 
					
					285 | 
					
					175 |  
					| 
					
					250 | 
					
					220 | 
					
					400 | 
					
					800 | 
					
					303 | 
					
					180 |  
					| 
					
					315 | 
					
					280 | 
					
					420 | 
					
					840 | 
					
					370 | 
					
					186 |  
					| 
					
					355 | 
					
					320 | 
					
					200 | 
					
					180 | 
					
					430 | 
					
					860 | 
					
					111 | 
					
					270 | 
					
					190 |  
					| 
					
					225 | 
					
					200 | 
					
					430 | 
					
					860 | 
					
					295 | 
					
					196 |  
					| 
					
					250 | 
					
					220 | 
					
					440 | 
					
					880 | 
					
					320 | 
					
					202 |  
					| 
					
					315 | 
					
					280 | 
					
					450 | 
					
					900 | 
					
					385 | 
					
					208 |  
					| 
					
					355 | 
					
					320 | 
					
					460 | 
					
					920 | 
					
					425 | 
					
					212 |  
					| 
					
					400 | 
					
					360 | 
					
					225 | 
					
					200 | 
					
					490 | 
					
					980 | 
					
					137 | 
					
					300 | 
					
					203 |  
					| 
					
					250 | 
					
					220 | 
					
					500 | 
					
					1000 | 
					
					325 | 
					
					211 |  
					| 
					
					315 | 
					
					280 | 
					
					510 | 
					
					1020 | 
					
					390 | 
					
					220 |  
					| 
					
					355 | 
					
					320 | 
					
					530 | 
					
					1060 | 
					
					430 | 
					
					228 |  
					| 
					
					400 | 
					
					360 | 
					
					530 | 
					
					1060 | 
					
					475 | 
					
					238 |  
					| 
					
					500 | 
					
					455 | 
					
					250 | 
					
					220 | 
					
					660 | 
					
					1320 | 
					
					166 | 
					
					330 | 
					
					265 |  
					| 
					
					315 | 
					
					280 | 
					
					680 | 
					
					1360 | 
					
					395 | 
					
					275 |  
					| 
					
					355 | 
					
					320 | 
					
					690 | 
					
					1380 | 
					
					440 | 
					
					287 |  
					| 
					
					400 | 
					
					360 | 
					
					710 | 
					
					1420 | 
					
					495 | 
					
					298 |  
					| 
					
					500 | 
					
					455 | 
					
					730 | 
					
					1460 | 
					
					603 | 
					
					306 |  
					| 
					
					630 | 
					
					585 | 
					
					315 | 
					
					280 | 
					
					780 | 
					
					1560 | 
					
					197 | 
					
					420 | 
					
					345 |  
					| 
					
					355 | 
					
					320 | 
					
					795 | 
					
					1590 | 
					
					463 | 
					
					356 |  
					| 
					
					400 | 
					
					360 | 
					
					810 | 
					
					1620 | 
					
					510 | 
					
					268 |  
					| 
					
					500 | 
					
					455 | 
					
					825 | 
					
					1650 | 
					
					625 | 
					
					373 |  
					| 
					
					630 | 
					
					585 | 
					
					840 | 
					
					1680 | 
					
					775 | 
					
					387 |  
					| 
					
					710 | 
					
					655 | 
					
					355 | 
					
					320 | 
					
					900 | 
					
					1800 | 
					
					235 | 
					
					480 | 
					
					390 |  
					| 
					
					400 | 
					
					360 | 
					
					910 | 
					
					1820 | 
					
					530 | 
					
					402 |  
					| 
					
					500 | 
					
					455 | 
					
					917 | 
					
					1835 | 
					
					650 | 
					
					415 |  
					| 
					
					630 | 
					
					585 | 
					
					930 | 
					
					1860 | 
					
					790 | 
					
					423 |  
					| 
					
					710 | 
					
					655 | 
					
					930 | 
					
					1860 | 
					
					870 | 
					
					435 |  
					| 
					
					800 | 
					
					740 | 
					
					400 | 
					
					360 | 
					
					990 | 
					
					1980 | 
					
					265 | 
					
					540 | 
					
					440 |  
					| 
					
					500 | 
					
					455 | 
					
					1015 | 
					
					2030 | 
					
					650 | 
					
					452 |  
					| 
					
					630 | 
					
					585 | 
					
					1025 | 
					
					2050 | 
					
					795 | 
					
					462 |  
					| 
					
					710 | 
					
					655 | 
					
					1040 | 
					
					2080 | 
					
					885 | 
					
					475 |  
					| 
					
					800 | 
					
					740 | 
					
					1050 | 
					
					2100 | 
					
					980 | 
					
					490 |  
					|  |  |  |  |  |  |  |  |  |  |          
		  
		ThermoPlast's fittings 
		dimensions 
		U-PVC Socket bends   
			
				
					| 
					ÞØÑ ÎÇÑÌی áæáå¡
					DN | 
					ÔÚÇÚ ÎãÔ ãیÇäیä¡
					r | 
					ÍÏÇÞá Øæá ˜æÈáå¡
					tk | 
					ÒÇæیå ÎãÔ α 
					ÍÏ ÇÞá 
					zk |  
					| 
					
					°11.25 | 
					
					°22.5 | 
					
					°30 | 
					
					°45 | 
					
					°60 | 
					
					°90 |  
					| 
					50 | 
					125 | 
					50 | 
					60 | 
					75 | 
					85 | 
					100 | 
					120 | 
					175 |  
					| 
					63 | 
					220 | 
					65 | 
					45 | 
					70 | 
					85 | 
					115 | 
					155 | 
					245 |  
					| 
					75 | 
					265 | 
					70 | 
					55 | 
					80 | 
					100 | 
					140 | 
					180 | 
					293 |  
					| 
					90 | 
					315 | 
					80 | 
					65 | 
					95 | 
					120 | 
					165 | 
					220 | 
					350 |  
					| 
					110 | 
					385 | 
					90 | 
					80 | 
					120 | 
					145 | 
					205 | 
					265 | 
					430 |  
					| 
					125 | 
					435 | 
					95 | 
					90 | 
					135 | 
					165 | 
					230 | 
					305 | 
					490 |  
					| 
					160 | 
					560 | 
					120 | 
					120 | 
					170 | 
					215 | 
					295 | 
					385 | 
					625 |  
					| 
					200 | 
					700 | 
					140 | 
					150 | 
					215 | 
					265 | 
					370 | 
					485 | 
					780 |  
					| 
					225 | 
					790 | 
					160 | 
					165 | 
					245 | 
					300 | 
					415 | 
					545 | 
					880 |  
					| 
					250 | 
					875 | 
					175 | 
					185 | 
					270 | 
					335 | 
					460 | 
					605 | 
					975 |  
					| 
					315 | 
					1105 | 
					215 | 
					230 | 
					340 | 
					420 | 
					585 | 
					765 | 
					1230 |  
					| 
					355 | 
					1245 | 
					250 | 
					265 | 
					385 | 
					470 | 
					655 | 
					860 | 
					1385 |  
					| 
					400 | 
					1400 | 
					300 | 
					295 | 
					430 | 
					530 | 
					740 | 
					970 | 
					1560 |  
					| 
					500 | 
					1750 | 
					335 | 
					370 | 
					540 | 
					665 | 
					925 | 
					1210 | 
					1950 |  
					| 
					630 | 
					2205 | 
					415 | 
					465 | 
					680 | 
					840 | 
					1165 | 
					1525 | 
					2460 |  
					| 
					710 | 
					2485 | 
					460 | 
					525 | 
					765 | 
					945 | 
					1315 | 
					1720 | 
					2770 |  
					| 
					800 | 
					2800 | 
					595 | 
					595 | 
					865 | 
					1065 | 
					1480 | 
					1935 | 
					3120 |  
		  
   
		  
		ThermoPlast's fittings 
		dimensions 
		U-PVC 45° 
		Tee  
		  
			
				
					| 
					
					
					ÞØÑ ÇÓãی 
					DN | 
					Z | 
					Z1 |  
					| 
					
					
					63 | 
					
					79 | 
					
					14 |   |  
					| 
					
					
					75 | 
					
					94 | 
					
					17 |   |  
					| 
					
					
					90 | 
					
					112 | 
					
					20 |   |  
					| 
					
					
					110 | 
					
					137 | 
					
					24 |   |  
					| 
					
					
					125 | 
					
					157 | 
					
					27 |   |  
					| 
					
					
					160 | 
					
					200 | 
					
					35 |   |  
					| 
					
					
					200 | 
					
					250 | 
					
					46 |   |  
					| 
					
					
					225 | 
					
					282 | 
					
					50 |   |  
					| 
					
					
					250 | 
					
					313 | 
					
					56 |   |  
					| 
					
					
					315 | 
					
					394 | 
					
					70 |   |  
					| 
					
					
					355 | 
					
					444 | 
					
					77 |   |  
					| 
					
					
					400 | 
					
					500 | 
					
					87 |   |  
					| 
					
					
					500 | 
					
					625 | 
					
					111 |   |  
					| 
					
					
					630 | 
					
					788 | 
					
					138 |   |  
					| 
					
					
					710 | 
					
					885 | 
					
					158 |   |  
					| 
					
					
					800 | 
					
					1000 | 
					
					175 |   |    
		3)ÑæÇÏÇÑی 
		ÇÑÞÇã ãæÌæÏ ÏÑ ÓÊæä Z 
		Èیä +10% 
		æ -3%
		ÇÓÊ )   
     
			
				
					| 
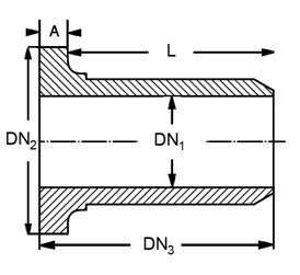
					DN(min) | 
					L2(min) | 
					A(min) | 
					DN2(min) | 
					DN3(min) |  
					| 
					
					63 | 
					
					
					120 | 
					
					
					15 | 
					
					
					120 | 
					
					
					135 |  
					| 
					
					75 | 
					
					
					130 | 
					
					
					15 | 
					
					
					124 | 
					
					
					145 |  
					| 
					
					90 | 
					
					
					150 | 
					
					
					20 | 
					
					
					144 | 
					
					
					170 |  
					| 
					
					110 | 
					
					
					150 | 
					
					
					22 | 
					
					
					162 | 
					
					
					172 |  
					| 
					
					125 | 
					
					
					210 | 
					
					
					25 | 
					
					
					190 | 
					
					
					235 |  
					| 
					
					160 | 
					
					
					215 | 
					
					
					25 | 
					
					
					220 | 
					
					
					240 |  
					| 
					
					200 | 
					
					
					250 | 
					
					
					25 | 
					
					
					278 | 
					
					
					275 |  
					| 
					
					225 | 
					
					
					270 | 
					
					
					25 | 
					
					
					300 | 
					
					
					295 |  
					| 
					
					250 | 
					
					
					320 | 
					
					
					25 | 
					
					
					325 | 
					
					
					345 |  
					| 
					
					315 | 
					
					
					340 | 
					
					
					25 | 
					
					
					375 | 
					
					
					365 |  
					| 
					
					355 | 
					
					
					350 | 
					
					
					25 | 
					
					
					440 | 
					
					
					375 |  
					| 
					
					400 | 
					
					
					360 | 
					
					
					40 | 
					
					
					492 | 
					
					
					400 |  
					| 
					
					500 | 
					
					
					450 | 
					
					
					40 | 
					
					
					600 | 
					
					
					490 |  
					| 
					
					630 | 
					
					
					500 | 
					
					
					50 | 
					
					
					720 | 
					
					
					550 |  
					| 
					
					710 | 
					
					
					600 | 
					
					
					50 | 
					
					
					900 | 
					
					
					650 |    
   
		  
		ThermoPlast's fittings 
		dimensions 
		U-PVC Coupler   
			
				
					| 
					Dn(min) | 
					A(min) | 
					C(min) | 
					L(min) |  
					| 
					
					
					63 | 
					
					80 | 
					
					70 | 
					
					220 |  
					| 
					
					
					75 | 
					
					90 | 
					
					80 | 
					
					250 |  
					| 
					
					
					90 | 
					
					100 | 
					
					90 | 
					
					280 |  
					| 
					
					
					110 | 
					
					100 | 
					
					100 | 
					
					300 |  
					| 
					
					
					125 | 
					
					110 | 
					
					110 | 
					
					330 |  
					| 
					
					
					160 | 
					
					150 | 
					
					130 | 
					
					280 |  
					| 
					
					
					200 | 
					
					620 | 
					
					190 | 
					
					1000 |  
					| 
					
					
					225 | 
					
					600 | 
					
					200 | 
					
					1000 |  
					| 
					
					
					250 | 
					
					560 | 
					
					220 | 
					
					1000 |  
					| 
					
					
					315 | 
					
					500 | 
					
					250 | 
					
					1000 |  
					| 
					
					
					355 | 
					
					400 | 
					
					300 | 
					
					1000 |  
					| 
					
					
					400 | 
					
					400 | 
					
					300 | 
					
					1000 |  
					| 
					
					
					500 | 
					
					300 | 
					
					350 | 
					
					1000 |  
					| 
					
					
					630 | 
					
					400 | 
					
					400 | 
					
					1200 |  
					| 
					
					
					710 | 
					
					400 | 
					
					500 | 
					
					1400 |   
		 
		  
		    |